本公司已通过ISO9001质量体系认证、ISO14001环境管理体系认证以及职业健康安全管理体系认证
推荐产品
PRODUCT DISPLAY
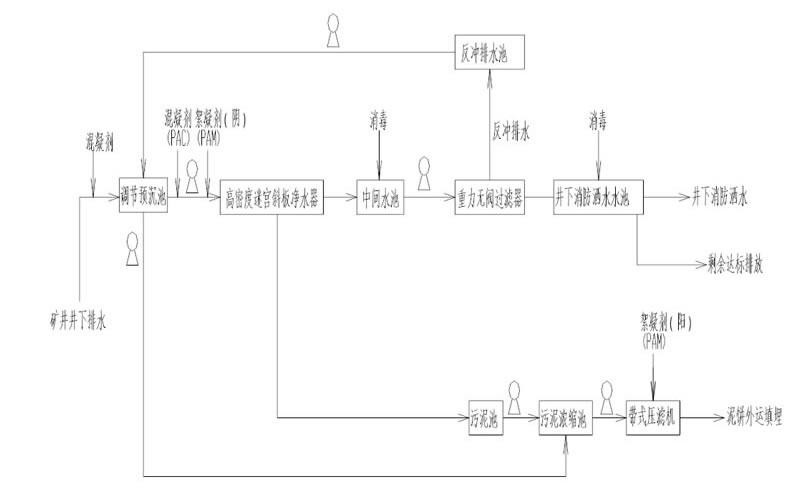
工艺流程
PRODUCT DISPLAY

江苏龙浩环境科技有限公司是技术较领先型的精专特新型水处理环保企业。本公司固定资产5000余万元,流动资金1000余万元,占地面积36000平方米,现有员工118人,其中高级职称13人,中级技术职称7人,专业技术人员23人,年销售额5000万元以上,是江苏省环保百强企业之一,连续多年被无锡市授予“重合同守信用企业”称号,被中国建行江苏分行企业信用等级评估委员会评定AAA级资信企业,宜兴市科技先进企业。公司主要产品多次在全国环保设备行评中获奖。已获ISO9001质量体系认证。

版权所有 江苏龙浩环境科技有限公司 苏ICP备2023026613号-1 苏公网安备 32028202001302号
Copyrights (c) 2012-2026 www.jslhhj.cn Allrights Reservered.